SNMG inserts deliver reliable and efficient performance in CNC turning applications. They feature strong cutting edges that improve wear resistance and maintain stability during machining. As a result, users can achieve consistent cutting performance and high-quality surface finishes. Moreover, these SNMG carbide inserts reduce vibration and help improve overall machining efficiency.
In addition, SNMG turning inserts work well across a wide range of materials, including carbon steel, alloy steel, stainless steel, and cast iron. Their optimized geometry enhances chip control and reduces cutting resistance. Furthermore, these inserts support both roughing and finishing operations, which allows machinists to complete different tasks with one insert type. Because of this, users can simplify tooling and improve production efficiency.
These inserts are available in multiple sizes such as SNMG120404, SNMG120408, SNMG120412, SNMG150608, SNMG150612, SNMG150616, SNMG190612, and SNMG190616. They fit standard tool holders and allow quick installation. Therefore, SNMG inserts provide a flexible and cost-effective solution for modern machining environments.
Bwin SNMG Carbide Turning Inserts Specification:

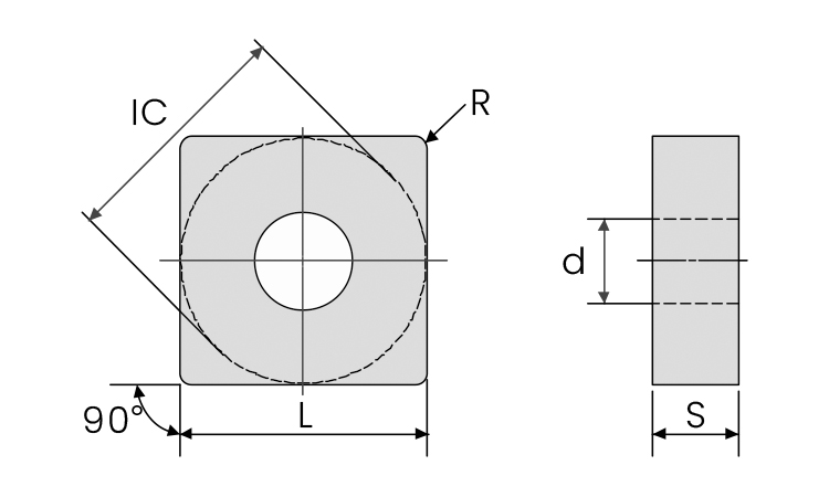
| Model | L | IC | S | d | R |
| SNMG120404 | 12.7 | 12.7 | 4.76 | 5.16 | 0.4 |
| SNMG120408 | 12.7 | 12.7 | 4.76 | 5.16 | 0.8 |
| SNMG120412 | 12.7 | 12.7 | 4.76 | 5.16 | 1.2 |
| SNMG150608 | 15.9 | 15.9 | 6.35 | 6.35 | 0.8 |
| SNMG150612 | 15.9 | 15.9 | 6.35 | 6.35 | 1.2 |
| SNMG150616 | 15.9 | 15.9 | 6.35 | 6.35 | 1.6 |
| SNMG190612 | 19.1 | 19.1 | 6.35 | 7.94 | 1.2 |
| SNMG190616 | 19.1 | 19.1 | 6.35 | 7.94 | 1.6 |
Bwin Grade for Carbide Inserts:
| Grade | Coating | Color | Workpiece material | Application |
| BP020 | CVD | Yellow | P10-P20 | Suitable for semi-finishing to finishing machining of soft steel. |
| BP025 | CVD | Black | P25-P35 | Preferred grade for semi-finishing to finishing steel machining. |
| BP030 | CVD | Yellow | P25-P35 | BP030 is an upgraded version of BP020, Suitable for intermittent cutting of steel. |
| BP050 | CVD | Two-color | P35-P45 | It is suitable for turning of various steels and is the first choice for wear resistance. |
| BP070 | CVD | Colorful | P40-P65 | Suitable for hardened steel and difficult to machine materials |
| BM035 | PVD | Dark Purple | M10-M30 | Good at stainless steel semi-finishing turning, parting and grooving processing, preferred grade for steel and stainless steel milling and drilling. |
| BM055 | PVD | Purple Gold | M15-M35 | Preferred grade for steel and stainless milling and drilling. |
| BM085 | PVD | Colorful | M30-M55 S15-S40 H15-H55 |
Suitable for difficult to machine materials such as nickel alloys, chromium alloys, etc |
| BN01 | Uncoated | Silver | Suitable for processing non-ferrous metals such as copper and aluminum alloys. | |
| BT015 | PVD | Dark Gray | P20-P30 K10-K30 |
Suitable for steel and cast iron slight milling. |
| BT030 | PVD | Dark purple | P10-P25 M15-M35 |
Suitable for steel and stainless steel continue turning and threading. |
| BT065 | PVD | Yellow | P10-P20 | Good at steel semi-finishing turning, parting and grooving processing, preferred grade for steel milling and drilling. |
| BK115 | CVD | Black | K15-K30 | Suitable grade for semi-finishing to slight interrupted cast iron machining. |
| BC060 | Uncoated | Silver | P30-P40 | Suitable for processing variou steel parts and cast iron. |
| BC075 | Uncoated | Black | P40-P50 | Suitable for processing hardenedsteel and cast iron. |
| BC090 | Uncoated | Yellow | P40-P50 | Suitable for processing hardenedsteel and cast iron. |
Notes: Bwin offers a wide variety of high-quality CNC spare parts, including carbide end mills, carbide inserts, turning bar tools, face milling tools, hole drilling tools, thread tapping tools, carbide burrs, tool holders, machine vises, live centers, chucks, CNC angle heads, carbide saw blades, clamping kits, as well as brand-name carbide inserts.
In addition, we provide the best parts support to keep your machines and business running smoothly.



